|
產品中心
|
模擬輸出隔離器IM4067
操作端(HART)隔離器,將輸入側的4~20mA信號隔離傳輸到輸出側,驅動現場的執行機構等設備,同時支持HART數字信號雙向傳輸。該產品需要獨立供電,電源、輸入和輸出三隔離。
主要技術參數
通道數:1
供電電壓:20~35V DC
消耗電流:(DC24V供電,20mA輸出時)≤50mA
輸入:
電流:0/4~20mA,HART數字信號,壓降:≤2V
輸出:
電流:0/4~20mA,HART數字信號
負載電阻:RL≤800Ω
HART通信時,負載電阻:RL≥250Ω
電壓:0/1~5V
負載電阻:RL≥330kΩ
(用戶可在訂貨時選擇電壓或電流輸出)
輸出精度:0.1%F.S.(典型值:0.05%F.S.)
溫度漂移:0.005%F.S./℃
響應時間:2ms達到最終值的90%
電源保護:電源反向保護(底板上)
電磁兼容性:符合GB/T 18268(IEC 61326-1)
絕緣強度:1500V AC,1分鐘(電源、輸入、輸出之間)
絕緣電阻:≥100MΩ;500V DC
(電源、輸入、輸出與外殼之間)
重量:約110g
適用現場設備:
二線制閥門定位器(HART)、電氣轉換器等。
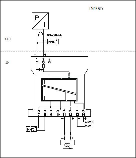
二、應用設計
![]() 三、安裝調試
接線
安裝
IM4000系列隔離器均采用底板安裝方式。安裝步驟如下:
拆卸
維護
使用環境
外形尺寸
![]() 外形尺寸(深×高×寬):114.0mm×103.6mm×15.8mm
|
||||||||||||||||||||||||
| 上一篇: 返回列表 | 下一篇: 底板式模擬輸入隔離器IM4044(1入2出) |






