|
產品中心
|
開關輸入隔離器IM4011(單通道)/IM4012(雙通道)
開關量輸入,繼電器輸出隔離器,接收來自輸入側的干接點或符合DIN19234標準的NAMUR型接近開關輸入,隔離傳輸到輸出側繼電器輸出,可設置為輸入和輸出同相或反相控制,同時具有輸入線路故障檢測報警指示功能。該產品需要獨立供電,電源、輸入和輸出三隔離。
主要技術參數
通道數:1(IM4011) 2(IM4012)
供電電壓:20~35V DC
消耗電流:(DC24V供電,繼電器觸點閉合時)
≤45mA
輸出:
響應時間:≤10ms
驅動能力:250V AC,2A或30V DC,2A
負載類型:電阻性負載
輸入:
信號:干接點或NAMUR型接近開關輸入
開路電壓:≈8V(開路時)
短路電流:≈8mA
輸入和輸出特性(置為同相控制):
現場開關閉合或輸入回路電流>2.1mA,輸出繼電器閉合,
通道黃色指示燈亮;
現場開關開路或輸入回路電流<1.2mA,輸出繼電器開路,
通道黃色指示燈滅.
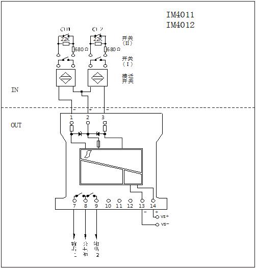
開關設置作用:
![]() 注:開關輸入(I),需將K2、K4設置為OFF狀態,無線路故障(斷線、短路)檢測功能;若有線路故障(斷線、短 路)檢測功能, 應在開關兩端并聯22kΩ電阻,串聯680Ω電阻,見開關(II),K2、K4設置為ON狀態。
電源保護:電源反向保護(底板上)
電磁兼容性:符合GB/T 18268(IEC 61326-1)
絕緣強度:1500V AC,1分鐘(電源、輸入、輸出之間)
絕緣電阻:≥100MΩ;500V DC
(電源、輸入、輸出與外殼之間)
重量:約120g
適用現場設備:干接點或符合DIN19234標準的NAMUR型接近開關輸入等,現場設備(包括:本安型壓力、溫度、液
位開關)。
二、應用設計
![]() 三、安裝調試
接線
儀表接線采用可拆卸的彈簧式接線端子,方便使用。儀表上端為輸入端(藍色插頭),即為通向輸出側的信號接
線端;儀表下端為輸出端,直接插在底板上,通過底板上的插座及線路統一供電,并通向輸入側的信號接線端;
輸入側的配線軟銅截面積必須大于0.5mm2,絕緣強度應大于500V;
隔離器輸入端和輸出端的配線導線在匯線槽中應分開鋪設、各自采用保護套管;
導線裸露長度約為10mm,若為軟線還需加裝金屬尺寸>10mm的冷壓頭,硬線則不需要。接線時將導線可直接插入
接線孔即可,無需螺絲刀。
![]() 安裝
IM4000系列隔離器均采用底板安裝方式。安裝步驟如下:
把儀表底部插在底板上對應的插座上;
把儀表兩邊的螺絲擰入底板上的螺孔,并擰緊。
![]() 拆卸
把儀表兩邊的螺絲從底板上的螺孔中擰出;
儀表向上從底板插座上拔出;
分離端子上的導線時請將標準的一字螺絲刀,插入橙色的操作位的凹槽內,并向內推入,然后將導線從接線孔內
拔出即可。
![]() 維護
產品在出廠前均經過嚴格檢驗和質量控制,如發現工作不正常,懷疑內部模塊有故障,請及時同最近的代理商或
直接與技術支持熱線聯系;
產品從發貨之日起五年以內,正常使用過程中出現產品質量問題均由本公司免費維修。
使用環境
周圍環境中不得有強烈振動、沖擊以及大電流和火花等電磁感應影響,空氣中應不含有對鉻、鎳、銀鍍層起腐蝕
作用的介質,應不含有易燃、易爆的物質;
連續工作溫度:-20℃~+60℃;
貯存溫度:-40℃~+80℃;
相對濕度:10%~90%。
外形尺寸
![]() 外形尺寸(深×高×寬):114.0mm×103.6mm×15.8mm
|
||||||||||||||||||||||||
| 上一篇: 底板式雙通道模擬輸入隔離器IM4046 | 下一篇: 底板式溫度輸入隔離器IM4072 |







