|
省配線產品
|
繼電器輸入冗余端子板XS-16RDI-RL-AC 通道數:16路 模式:單線制數字量輸入,冗余輸出,繼電器隔離 信號類型:AC電平、干接點 帶有交流抗感應電路 信號輸出:高電平、低電平可選 安裝形式:M5M6螺釘 配套卡件: S7-300PLC:6ES7321-1BH021BH10
內部接口表:
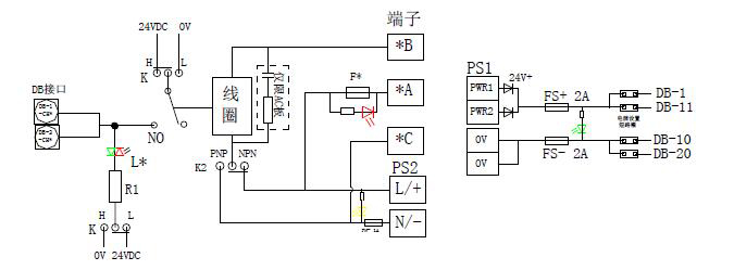
原理圖:
接線圖: 常用設置: 改變開關K位置可改變信號輸出制式:H:輸出為高有效,適合歐美PLC;L:輸出為低有效,適合日臺PLC信號反向:背面焊連改變開關K2位置可改變信號輸入制式:PNP或NPN干接點是采用PNP型式 電源設置: DB口含有4芯電源線,用于向PLC模塊供電。這些電源由電源輸出設置的短路帽進行控制,每個短路帽對應一根線,詳見右圖,送電前應根據需要進行設置。電源指示在保險下方,電源接反或保險燒斷時電源燈不亮。
注意:為實現信號的徹底隔離,內外電源必須做到隔離,因此本板需要外部電源,在端子板的左下角標注為L+/N-的端子為外部電源端子,須提供AC220V。外部信號為有源信號時該電源無需提供。端子塊右側為電源負端保險FN-。注意:輸入電壓等級與繼電器線圈電壓必須一致。
|
||||||||||||||||||||||||||||||||||||||||||||||||||||||||||||||||||||||||||||||
| 上一篇: XS-32DI-RL-AC 繼電器輸入板 | 下一篇: XS-8RAV 模擬輸入冗余端子板 |



